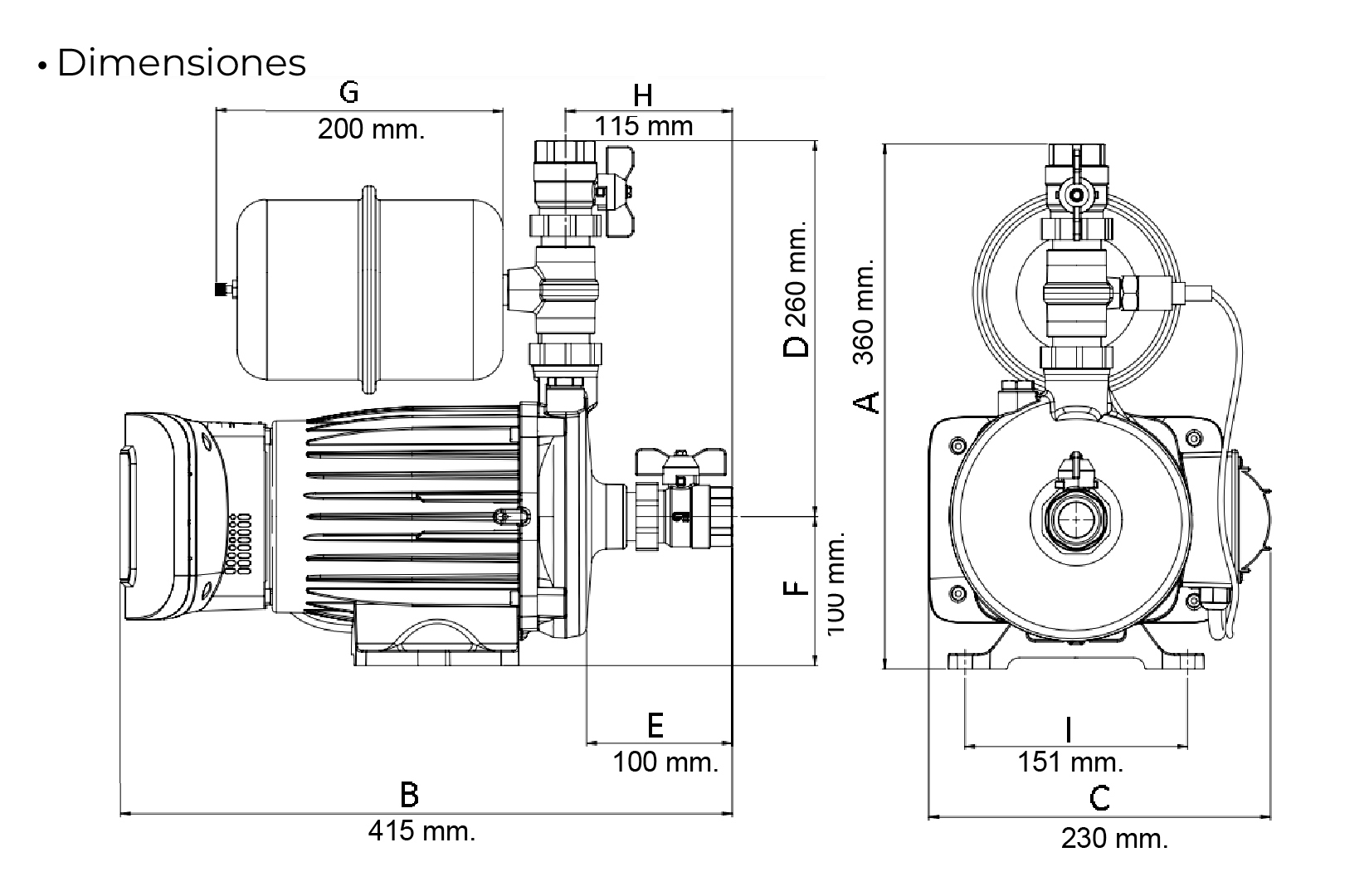
Línea Press con Variador de Frecuencia
Max Press 40 VF
Aumento de la presión de agua en viviendas en general con cisterna o tanque elevado. Bajo consumo, seguridad y confiabilidad. Hasta 4 plantas y 8 duchas

2 años de garantía
Ventajas
- Bajo consumo de energía.
- El equipo adapta su funcionamiento al nivel del consumo que realiza, incrementando a su vez su vida útil.
- Fácil instalación
- Presión confortable: el variador de frecuencia (VF) permite regular la presión del agua logrando así obtener una presión confortable en toda la casa.