Motor
- Totalmente silencioso
- Bobinado protegido contra funcionamiento en seco, se apaga automáticamente.
- Posee protector térmico incorporado.
- No produce golpes de ariete.
Recirculación de agua caliente hasta 70ºC. Abastecimiento de agua para toda vivienda. Apta para bombear agua potable sin residuos

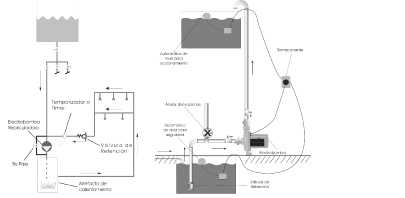
El presurizador deberá ser instalado obligatoriamente de modo que el eje de la electrobomba permanezca en posición horizontal, de acuerdo a las siguientes figuras. El no cumplimiento de esta norma implicará el desgaste irregular del equipo y la consecuente pérdida de la garantía.